接线盒 - UBH-2NS- 110014

电度表接线盒,额定电压:380V,接线方式:螺钉连接,压线范围:0.5mm²-4mm²,宽度 192mm,高度43.5mm,颜色:灰色

生成产品PDF

具有防误操作功能,使用方便可靠 

具有防窃电功能 

可增加熔芯卡起到线路保护作用



关键商业数据

订货号 110014
包装单位(只)
单件净量(g)

产品图

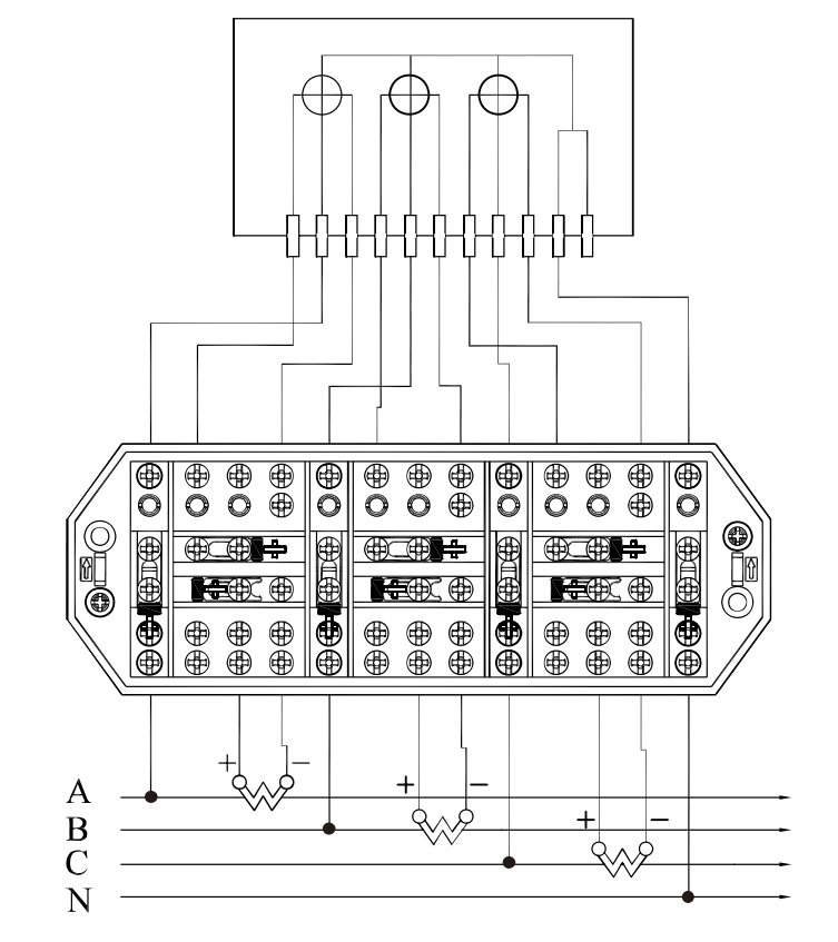
电路图

电路图

概述

额定横截面(mm²) 0.5-4
颜色 灰色
绝缘材料 PC
阻燃等级 V0
额定电压(V) 380
额定电流(A) /
绝缘材料温度 -40℃~+125℃
进线方式 侧进线

外形尺寸

厚度(mm) 68.4
宽度(mm) 192
高度(mm) 43.5

连接数据

连接方式 螺钉连接
螺钉公称直径 M4
剥线长度(mm) 10
扭矩(Nm) 1.5-1.8
刚性导线(mm²) /
刚性导线AWG /
柔性导线(mm²) 0.5-4
柔性导线AWG /

环境条件

工作温度(℃) -40℃~+105℃
环境温度(存放/运输)(℃) -25℃~+60℃
相对湿度 30%~90%

标准和规范

连接符合标准 IEC 60947-7-1
阻燃等级 V0
中国质量认证中心CQC认证
上海友邦电气(集团)股份有限公司
上海市松江区佘山镇吉业路528号
邮编:201602
电话:400-021-8555